
| 品牌 | 其他品牌 | 供货周期 | 一周 |
|---|---|---|---|
| 应用领域 | 环保,化工,电子/电池,电气 |
AJ65VBTS3-16D型弹簧夹端子排型输入模块DC 24V输入模块,端子排型输入模块(正公共端(漏型))
AJ65VBTS3-16D弹簧夹端子排型输入模块性能规格:
输入类型:DC 24V输入
输入形式:正公共端共用型(漏型)
输入点数:16点
绝缘方式:光耦合器绝缘
额定输入电压:DC24V
额定输入电流:约5mA
使用电压范围:DC19.2~26.4V(波动率5%以内))
最大同时输入点数:100% /75%
ON电压/ON电流:14V以上/3.5nA以上
OFF电压/OFF电流:6V以下/1.7mA以下
输入电阻:约4.7kΩ
响应时间:OFF->ON / ON->OFF 都为1.5ms以下(DC24V时)
公共端方式:16点1公共端(2点)(弹簧夹端子排型 3线式)
占用站数:1站 分配32点(使用16点)
I/O模块电源:
电压:DC20.4~26.4V(波动率5%以内)
电流:35mA以下((DC24V,全部点ON时)
噪声强度:由模拟噪声1500VP-P、噪声宽度1μs、噪声频率25~60Hz的噪声模拟器所产生的快速瞬变/无线电脉冲噪声IEC61000-4-4:1kV
耐电压:DC外部端子汇总-接地间AC500V 1分钟期间
绝缘电阻: DC外部端子汇总-接地间 DC500V 绝缘电阻计测10 Ω 以上
保护等级:IP2X
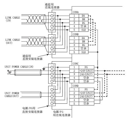
外部连接方式:
通信部分:通信用直接安装连接器[传送回路](5针/压接型、连接器用插座另售:A6CON-L5P)
电源部分:电源/FG用直接安装连接器[I/O模块电源/FG](5针/压接型、连接器用插座另售:A6CON-PW5P、A6CON-PW5P-SOD)
输入输出部分: 2段式 弹簧夹端子排[输入输出电源-I/O信号]
适用DIN轨:TH35-7.5Fe、TH35-7.5A1(基于JIS C 2812标准)
适用电线尺寸:
通信用连接器:适用电缆:FANC-110SBH、CS-110
电源/FG用连接器:0.66~0.98mm2 (AWG18)
输入输出用弹簧夹端子排:连接线0.08~1.5mm2 (AWG28~16) ; 电线剥皮尺寸:8~11mm
适用压装端子:
TE0.5 ((株)Nichifu)[适用电线尺寸:0. 5mm2 ]
TE0.75 ((株)Nicliifu)[适用电线尺寸:0.7 5mm2]
TE1((株)Nichifu)[适用电线尺寸:0. 9~1.0mm2]
TE1.5((株)Nichifu)[适用电线尺寸:1.25~1.5mm2]
FA-VTC125T9(三菱电机工程(株))[适用电线尺寸:0.3~1.65mm2]
FA-VTCW125T9(三菱电机工程(株))[适用电线尺寸:0.3~1.65mm2]
重量:0.24KG
AJ65VBTS3-16D外部连接图

使用在线连接器时的连接图

邮箱:https://www.23anji.com
地址:上海市黄浦区黄河路21号鸿祥大厦11层(williamhill英国官网)

williamhill英国官网-三菱电机

JOMO株式会社