
| 品牌 | 其他品牌 | 供货周期 | 一周 |
|---|---|---|---|
| 应用领域 | 环保,化工,电子/电池,电气 |
三菱PLC模块 FX2NC-32EYT特点:
◆ 32点扩展输出
◆ FX1NC,FX3GC,FX2NC,FX3UC可以直接连此设备
◆ 由基本单元内部供电
三菱PLC模块 FX2NC-32EYT性能规格:
◆ 输出点数:32点
◆ 输出连接方式:连接器
◆ 输出类型/方式:晶体管输出/漏型
◆ 外部电源:DC5V~30V
◆ 最大电阻负荷:0.1A/1点
◆ 最大诱导性负荷:2.4W/1点(DC24V)
◆ 开路漏电电流:0.1mA以下/DC30V
◆ ON电压:1.5V以下
◆ 响应时间:0.2ms以下/100mA
◆ 回路绝缘:光电耦合器隔离
◆ 耗电量:0.7W
◆ 重量:0.2KG
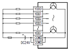
FX2NC-32EYT输出回路图:

多年专注于工业自动化产品销售及技术支持的高新科技企业,提供三菱PLC,三菱伺服,三菱触摸屏,三菱变频器;拥有三菱PLC,三菱触摸屏,三菱伺服,三菱变频器价格优势;提供三菱PLC,三菱触摸屏报价最新信息!
专业从事工业自动化工程项目设计、安装、调试等服务和销售各类工业自动化产品。颇具实力的工程技术服务型。承接各类自动化系统的升级,对市场上现在流行的品牌都比较熟悉。
上一产品:FX2NC-32EX三菱PLC模块
邮箱:https://www.23anji.com
地址:上海市黄浦区黄河路21号鸿祥大厦11层(williamhill英国官网)

williamhill英国官网-三菱电机

JOMO株式会社